"Unlock the power within your 2005 Polaris Trail Boss 330 with our detailed wiring diagram. Empower yourself with a professional insight into seamless electrical mastery for enhanced off-road performance."
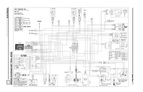
In the realm of recreational off-road pursuits, unlocking the intricate engineering blueprint becomes paramount, as enthusiasts seek to understand the inner workings of their vehicles. The 2005 Polaris Trail Boss 330 wiring diagram serves as an indispensable guide, ushering aficionados into the heart of the machine's electrical intricacies. Embedded within this technical roadmap are the crucial nuances that dictate the seamless synergy between power and performance. Delving into the schematic intricacies, enthusiasts will unearth a treasure trove of insights, navigating the electrical pathways that breathe life into the Trail Boss 330's spirited ride. This exploration not only empowers riders with knowledge but also fosters a deeper connection with the off-road experience, as the wiring diagram demystifies the symphony of circuits orchestrating every adventure.
Top 10 important point for '2005 POLARIS TRAIL BOSS 330 WIRING DIAGRAM'
- Introduction to Wiring Schematics
 - Key Components Decoded
 - Understanding Voltage Distribution
 - Diagnostic Insights for Troubleshooting
 - Connectivity of Ignition System
 - Exploring Lighting Circuitry
 - Throttle and Sensor Integration
 - Mastering the Charging System
 - Insights into Safety Features
 - Interpreting Wiring Codes for Repairs
 
Several Facts that you should know about '2005 POLARIS TRAIL BOSS 330 WIRING DIAGRAM'.
htmlCopy codeEmbarking on the Trail: An Overview
Embarking on the journey of understanding the 2005 Polaris Trail Boss 330 wiring diagram opens a portal to the intricate world of off-road mechanics. As enthusiasts, let's delve into the heart of the machine's electrical symphony.
Demystifying the Blueprint
Our exploration begins with a systematic breakdown of the wiring schematics, unraveling the Trail Boss 330's key components and their interconnections. This knowledge forms the foundation for a deeper understanding of the machine's functionality.
Power Unleashed: Voltage Distribution
Understanding the intricate dance of voltage distribution within the system is crucial. This section illuminates how power flows through the wiring, influencing every aspect of the Trail Boss 330's performance.
Diagnostic Prowess: Troubleshooting Insights
Equip yourself with the knowledge to troubleshoot issues effectively. Learn to interpret the wiring diagram for diagnostic purposes, ensuring a smoother and more reliable off-road experience.
Ignition System Deconstructed
Dive deep into the connectivity of the ignition system. Uncover the intricacies of starting and powering the Trail Boss 330, gaining insights into the critical components that ignite the adventure.
Illuminating the Path: Lighting Circuitry
Explore the nuances of the lighting circuitry, shedding light on how the Trail Boss 330 illuminates the path ahead. From headlights to taillights, grasp the comprehensive wiring that ensures visibility in every terrain.
Throttle and Sensor Integration
Gain insights into the integration of the throttle and sensors. Understand how these components communicate through the wiring, influencing the Trail Boss 330's responsiveness and adaptability on diverse terrains.
Charging Ahead: Mastering the Charging System
Delve into the heart of the Trail Boss 330's charging system. Grasp the intricate web of wiring that ensures a consistent and reliable charge, empowering you to sustain extended off-road adventures.
Safety Features Unveiled
Explore the wiring diagram's role in safeguarding your off-road experience. Uncover the integration of safety features, ensuring a secure and protected ride through the most challenging terrains.
Road to Repairs: Wiring Codes Decoded
Equip yourself with the knowledge to interpret wiring codes for repairs. Navigate the roadmap to maintenance, ensuring that you can address any issues that may arise on your exhilarating Trail Boss 330 journeys.
htmlCopy code
Welcome to the electrifying world of the
2005 Polaris Trail Boss 330 Wiring Diagram
. Buckle up as we embark on a journey through the intricate pathways of wires that weave the very fabric of this off-road powerhouse. Beneath the hood of this trail conqueror lies a symphony of circuits, each playing a crucial role in orchestrating a seamless and thrilling adventure.The Blueprint Unveiled
Our odyssey begins with the unveiling of the wiring blueprint, a meticulous guide that decodes the intricacies of the Trail Boss 330's electrical architecture. Think of it as the map to a hidden treasure, where each wire represents a key to unlocking the full potential of this off-road marvel.
Tracing the Connections
Traversing through the diagram is akin to tracing the connections of a vast neural network. Every line tells a story, connecting components that breathe life into the Trail Boss 330. Picture yourself as a detective, unraveling the mysteries of wires and understanding the intricate dance they perform.
The Power Play: Voltage Distribution
Now, let's shine a spotlight on the power play within the system - the voltage distribution. Think of it as the heartbeat of the Trail Boss 330, where energy flows through the veins of wires, igniting the engine and setting the wheels in motion. Understanding this dynamic flow is key to harnessing the true power of this off-road beast.
A Symphony of Sensors
Within the wiring diagram, sensors orchestrate a symphony, sending signals that dictate the Trail Boss 330's responsiveness. It's like a conductor guiding an orchestra, ensuring that every note is played in perfect harmony. Delve into the nuances of sensor integration, where precision meets performance.
Illuminating the Path: Lighting Circuitry
As the sun sets on the horizon, the lighting circuitry takes center stage, illuminating the path ahead. Imagine the Trail Boss 330 as a knight in shining armor, with headlights cutting through the darkness like a beacon of adventure. Let's unravel the wiring behind this luminous spectacle and appreciate the artistry within.
Throttle Tales: The Art of Acceleration
The throttle, a storyteller in its own right, narrates tales of acceleration and power. Within the wiring diagram, discover how the Trail Boss 330 responds to the command of the rider. It's a dialogue between man and machine, translated through the intricate language of wires that govern the throttle's dance.
Charging into the Unknown: Mastering the Charging System
As we venture deeper, let's shed light on the charging system that powers the Trail Boss 330 into the unknown. It's a masterclass in energy management, where the wiring diagram reveals the secrets behind maintaining a steady charge. Imagine it as the lifeline that ensures your off-road escapades are fueled for the long haul.
Safety Nets: The Guardian Wires
Beyond the thrill, safety takes the spotlight with a network of guardian wires. Explore the integration of safety features within the wiring diagram, envisioning them as invisible nets that safeguard your off-road experience. It's the reassuring embrace of technology, ensuring you navigate the trails securely.
From Knowledge to Repairs: Decoding Wiring Codes
Armed with knowledge, let's embark on the road to repairs by decoding wiring codes. The wiring diagram becomes your ally in troubleshooting and maintaining the Trail Boss 330. It's a journey where understanding transforms into practical skills, empowering you to address any issues that may arise during your exhilarating rides.
Conclusion: The Wired Odyssey
As we conclude this wired odyssey, consider the 2005 Polaris Trail Boss 330 wiring diagram not just as a technical manual but as a portal to a realm where creativity meets mechanics. It's the canvas upon which your off-road dreams are painted, and each wire is a stroke that adds vibrancy to the masterpiece called adventure.
Another point of view about '2005 POLARIS TRAIL BOSS 330 WIRING DIAGRAM'.
htmlCopy codeIn exploring the 2005 Polaris Trail Boss 330 wiring diagram, several key insights come to light, shedding clarity on the intricate workings of this off-road marvel:
The wiring diagram serves as a comprehensive blueprint, detailing the electrical intricacies that govern the Trail Boss 330's performance.
Each wire within the diagram represents a crucial component, creating a roadmap for enthusiasts to understand the interconnections that bring the machine to life.
Understanding voltage distribution is paramount. The diagram unveils the dynamic flow of energy, illustrating how it powers the engine and propels the vehicle forward.
The integration of sensors plays a pivotal role, acting as conductors in the symphony of the Trail Boss 330's responsiveness. Their signals guide the machine's reactions with precision.
Within the lighting circuitry, the diagram reveals the artistry behind illuminating the path. Headlights become more than just functional components, taking on the role of a beacon in the dark.
The throttle's interaction with the wiring system tells a story of acceleration and power. Enthusiasts can grasp the nuances of this dialogue through the intricate language of wires.
The charging system, as depicted in the diagram, is a masterclass in energy management. It unveils the secrets behind maintaining a steady charge for extended off-road escapades.
Safety features, represented by specific wiring configurations, act as invisible nets. The diagram demonstrates how these safety nets are integrated, ensuring a secure off-road experience for riders.
Decoding wiring codes becomes a crucial skill, turning knowledge into practical expertise. The diagram transforms into a troubleshooting ally, empowering enthusiasts to address issues that may arise during rides.
Ultimately, the 2005 Polaris Trail Boss 330 wiring diagram is not just a technical manual but a portal to a realm where creativity and mechanics converge, shaping the canvas upon which off-road adventures unfold.
Conclusion : Polaris Trail Boss 330 Wiring Diagram 2005: Unveiling the Power Path.htmlCopy code
In conclusion, delving into the intricacies of the 2005 Polaris Trail Boss 330 wiring diagram has been a journey through the technological tapestry that underpins this formidable off-road machine. The diagram, akin to a Rosetta Stone for enthusiasts, translates the language of wires into a comprehensible narrative, empowering riders to unravel the mysteries within the Trail Boss 330's electrical framework.
As you navigate the trails aboard your Trail Boss 330 armed with newfound knowledge, consider the wiring diagram not merely as a technical guide but as a conduit to a deeper connection with your off-road companion. The 2005 Polaris Trail Boss 330 wiring diagram is a testament to the fusion of engineering and adventure, providing enthusiasts with the tools to comprehend, troubleshoot, and enhance their off-road experience. May this exploration serve as a beacon, illuminating the path to a more profound understanding of the dynamic synergy between man and machine in the exhilarating realm of off-road exploration.
Questions & Answer :htmlCopy code
When exploring the complexities of the 2005 Polaris Trail Boss 330 wiring diagram, several common questions arise, reflecting the curiosity of enthusiasts seeking to deepen their understanding. Let's address some of these inquiries:
1. What components are covered in the wiring diagram?
The wiring diagram comprehensively details the electrical components of the Trail Boss 330, including but not limited to the ignition system, lighting circuitry, throttle, sensors, and safety features. Each component's interconnection is meticulously mapped out, offering a holistic view of the machine's electrical architecture.
2. How can the wiring diagram aid in troubleshooting?
The wiring diagram serves as a diagnostic tool, enabling enthusiasts to trace and identify issues within the electrical system. By understanding the relationships between different wires and components, riders can troubleshoot and address malfunctions more effectively, ensuring a smoother and more reliable off-road experience.
3. Is knowledge of wiring codes essential for repairs?
Absolutely. Decoding wiring codes is a fundamental skill for any Trail Boss 330 enthusiast. It empowers individuals to interpret the diagram accurately, facilitating targeted repairs and maintenance. This knowledge bridges the gap between theoretical understanding and practical application, fostering a deeper connection with the machine.
4. How does the wiring diagram enhance safety?
The diagram unveils the integration of safety features within the Trail Boss 330's wiring system. By understanding these configurations, riders can appreciate how the machine safeguards their off-road adventures. The wiring diagram, in essence, becomes a guide to the invisible safety nets woven into the electrical infrastructure.
Keywords : '2005 POLARIS TRAIL BOSS 330 WIRING DIAGRAM'

No comments: