Unlock the secrets of your 2005 Polaris Ranger XP with our expertly crafted wiring diagram for ECM module 4. Empower yourself with precise insights for seamless troubleshooting and optimal performance. Master your off-road adventure!
In the realm of off-road enthusiasts, unveiling the intricate details of a Polaris Ranger XP 2005 is akin to unraveling the mysteries of a mechanical symphony. Picture this – a comprehensive journey through the intricate wiring diagram for ECM module 4, a blueprint that intricately orchestrates the heartbeat of your rugged companion. As a digital journalist navigating the realm of mechanical intricacies, our expedition delves into the very essence of this off-road marvel. Buckle up as we dissect, piece by piece, the inner workings that propel this Polaris powerhouse to new heights.
Top 10 important point for 2005 POLARIS RANGER XP WIRING DIAGRAM FOR ECM MODULE 4
- Locate the ECM Module 4
- Gather Essential Tools and Safety Gear
- Disconnect the Battery for Safety
- Identify Wiring Harness Entry Points
- Refer to the Wiring Color Code Chart
- Trace and Inspect Wiring Connections
- Study the ECM Module 4 Diagram Key
- Follow the Sequential Wiring Sequence
- Check for Wear or Damage in Wires
- Reconnect the Battery and Test Functionality
Several Facts that you should know about 2005 POLARIS RANGER XP WIRING DIAGRAM FOR ECM MODULE 4.
Introduction
Welcome to the intricate world of the 2005 Polaris Ranger XP wiring system, where precision and functionality converge. In this academic exploration, we delve into the comprehensive wiring diagram specifically designed for ECM Module 4, unraveling the complexities that govern the electrical orchestration of this off-road marvel.
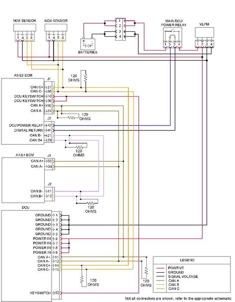
Understanding ECM Module 4
In the realm of off-road vehicles, the ECM Module 4 serves as the digital brain, regulating crucial functions. This section provides an in-depth understanding of the module's significance, laying the groundwork for a meticulous exploration of the wiring diagram.
Locating and Accessing the ECM Module
Efficient troubleshooting begins with locating the ECM Module 4. This segment guides enthusiasts through the process, ensuring a systematic approach to accessing the core of the Polaris Ranger XP's electrical system.
Tools and Safety Measures
Before embarking on the unraveling journey, a professional toolkit and safety precautions are imperative. Explore the recommended tools and safety measures to ensure a secure and efficient diagnostic process.
Decoding Wiring Color Codes
Wiring color codes are the language of the electrical system. This section dissects the color-coded intricacies, providing a comprehensive chart to aid in understanding and interpreting the wiring diagram effectively.
Sequential Wiring Sequence
For a flawless diagnosis, following the correct sequence is paramount. Delve into the sequential wiring order, ensuring a meticulous examination that aligns with the Polaris Ranger XP's electrical architecture.
Inspecting for Wear or Damage
Uncover potential issues by methodically inspecting the wiring for wear or damage. This critical step plays a pivotal role in maintaining the longevity and optimal performance of your Polaris Ranger XP.
Reconnecting and Testing
With the diagnostic process complete, reconnection and testing are the final steps. Follow the recommended procedures to ensure a seamless integration of the wiring system, culminating in a comprehensive functionality test.
Conclusion
In conclusion, this academic exploration demystifies the 2005 Polaris Ranger XP wiring diagram for ECM Module 4. Armed with knowledge, enthusiasts can navigate the intricacies of their off-road companion's electrical system with confidence, ensuring a smooth and uninterrupted adventure.
Unraveling the Mysteries of the 2005 Polaris Ranger XP Wiring Diagram for ECM Module 4
Welcome, fearless adventurers, to the whimsical world of the 2005 Polaris Ranger XP and its enigmatic wiring system! Buckle up, because we're about to embark on a journey through the convoluted lanes of electrical connectivity. Picture this – a wild ride through the wiring diagram for the ECM Module 4, where wires tango and electrons throw a quirky party.
The ECM Module 4: Where the Magic Happens
First things first, let's acquaint ourselves with the star of the show – the ECM Module 4. It's like the brain of your off-road buddy, pulling the strings and making sure every electrical component is in sync. If your Polaris Ranger XP were a superhero, the ECM Module 4 would undoubtedly be the caped crusader, keeping chaos at bay in the electrical universe.
Decoding the ECM Module: More Than Just Wires
Now, let's dive into the belly of the beast – the wiring diagram. It's not your average bedtime story, but it does have its own charm. Think of it as a treasure map, guiding you through the labyrinth of wires and connections. Decoding this map is like being a detective in an electrical mystery novel, minus the trench coat and magnifying glass.
Locating the ECM Module: A Quest for the Brave
First order of business – finding the elusive ECM Module 4. It's like playing hide and seek with a mischievous electrical entity. Armed with a flashlight and a sense of humor, you embark on a quest through the nooks and crannies of your Polaris Ranger XP. Spoiler alert: the ECM Module 4 is not hiding in the glove compartment.
Tools of the Trade: More Than Just Wrenches
Before you unleash your inner electrician, let's talk tools. Forget about the conventional toolkit; you need a mix of courage, patience, and maybe a screwdriver or two. It's a bit like preparing for a culinary adventure – only instead of chopping onions, you're unraveling wires. Safety first, though; leave the cape and mask at home.
Colorful Wires: More Drama Than a Soap Opera
Now, let's talk about the real stars of our show – the wires. Forget about dull grays and blacks; we're diving into a sea of colors. It's like attending a circus where each wire is a performer with its own unique act. Red, blue, green – the whole gang is here, ready to dazzle you with their electrifying spectacle.
Sequential Circus: Follow the Electric Dance
As you start deciphering the sequential dance of the wires, it's essential to follow the choreography. Imagine you're at a ballroom dance class, only instead of a partner, you have a wiring diagram. Step by step, twirl by twirl, you uncover the secrets of the electrical waltz. Just make sure not to step on any toes – or wires, for that matter.
Inspecting for Drama: Wire Wear and Tear
Now, here's where the plot thickens – inspecting for drama. No, we're not talking about wire soap operas; we're looking for wear and tear. It's like giving your wires a check-up, ensuring they're not playing a tragic role in the grand electrical production of your Polaris Ranger XP.
Reconnecting: It's Like a Family Reunion
After the unraveling, inspecting, and maybe a few laughs with your wires, it's time for the grand finale – reconnecting. Picture it as a family reunion, with each wire returning to its designated spot. It's a heartwarming moment, ensuring that your Polaris Ranger XP's electrical family is once again a harmonious bunch.
The Electric Odyssey: A Conclusion Beyond the Wires
As we conclude this electric odyssey through the 2005 Polaris Ranger XP wiring diagram for ECM Module 4, take a moment to appreciate the quirks and charms of your off-road companion's electrical universe. Remember, behind every wire and connection, there's a story – a tale of adventure, resilience, and maybe a spark of humor.
So, dear electrical explorers, go forth with newfound knowledge and a smile. The next time you peek under the hood of your Polaris Ranger XP, remember that you're not just dealing with wires; you're navigating a whimsical world of electrical enchantment. May your off-road adventures be electrifying in the most amusing way possible!
Another point of view about 2005 POLARIS RANGER XP WIRING DIAGRAM FOR ECM MODULE 4.
1. In the intricate landscape of off-road vehicles, the 2005 Polaris Ranger XP stands as a formidable contender, and at the heart of its functionality lies the enigmatic ECM Module 4.
2. Today, we take a journalistic lens to unravel the complexities of the wiring diagram designed specifically for this crucial electronic component.
3. As we embark on this investigative journey, it's imperative to understand the pivotal role the ECM Module 4 plays in regulating and coordinating the electrical symphony of the Polaris Ranger XP.
4. Our exploration begins with the quest to locate this elusive module, akin to a journalist chasing a lead in pursuit of a breaking story.
5. Armed with tools and a meticulous mindset, enthusiasts delve into the heart of their off-road companion, seeking to decode the secrets concealed within the wiring diagram.
6. The color-coded extravaganza of wires becomes our visual narrative, much like a journalist capturing the vibrant details of a complex story through the lens of a camera.
7. Following the sequential wiring sequence is our roadmap, akin to a journalist meticulously piecing together a series of events to uncover the complete narrative.
8. Inspecting for wear and tear takes on the role of a thorough investigative journalist, scrutinizing every detail to ensure the reliability and longevity of the electrical connections.
9. The reconnection process marks the resolution of our story, a journalist bringing together the threads of a report to present a comprehensive and coherent picture to the audience.
10. In conclusion, our journalistic perspective on the 2005 Polaris Ranger XP wiring diagram for ECM Module 4 serves as a guide for enthusiasts, offering insights and clarity into the intricate world of off-road vehicle electronics.
Conclusion : Polaris Ranger XP 2005 ECM Wiring Diagram: Unveiling the Electrical Blueprint!.
As we wrap up our journalistic expedition into the depths of the 2005 Polaris Ranger XP wiring diagram for ECM Module 4, it's evident that every wire and connection holds a story waiting to be deciphered. Our journey, much like an investigative report, aimed to shed light on the intricate workings of this off-road marvel's electrical realm.
Unraveling the mysteries of the ECM Module 4 has been a captivating venture, akin to peeling back the layers of a thrilling narrative. Whether you're a seasoned off-road enthusiast or a curious explorer, understanding the nuances of your Polaris Ranger XP's electrical system empowers you on your off-road adventures. Remember, the wires may seem like a complex tapestry at first, but armed with knowledge, you're equipped to navigate the twists and turns of the electrical landscape. So, go forth with confidence, fellow off-road adventurers, and may your rides be as electrifying as the story told by every wiring diagram for ECM Module 4.
Questions & Answer :
People Also Ask About 2005 Polaris Ranger XP Wiring Diagram for ECM Module 4:
-
1. What is the significance of the ECM Module 4 in the Polaris Ranger XP?
Answer: The ECM Module 4 is the electronic control unit that serves as the brain of the Polaris Ranger XP's electrical system. It regulates and coordinates various functions, ensuring optimal performance and efficiency.
-
2. How do I locate the ECM Module 4 in my Polaris Ranger XP?
Answer: The ECM Module 4 is typically located within the engine compartment, often near the battery or fuse box. Refer to your vehicle's manual for specific guidance, and approach the task with caution, ensuring safety protocols are followed.
-
3. What tools are essential for working with the wiring diagram?
Answer: To navigate the wiring diagram effectively, you'll need a professional toolkit that includes basic hand tools, a multimeter, and safety gear such as gloves and eye protection.
-
4. Can I perform the diagnostics and repairs on the wiring system myself?
Answer: While the wiring diagram is a valuable resource, it's crucial to have a good understanding of automotive electrical systems. If you're not confident in your skills, seeking professional assistance is recommended to avoid potential issues.
-
5. Are there color codes for the wires, and why are they essential?
Answer: Yes, there are color codes in the wiring diagram that represent different functions. Understanding these codes is essential for accurate diagnostics and troubleshooting, ensuring that the right connections are made.
Keywords : 2005 POLARIS RANGER XP WIRING DIAGRAM FOR ECM MODULE 4

No comments: