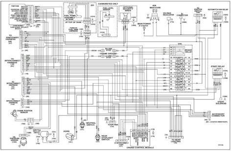
Unlock the potential of your 2005 Polaris Ranger XP with our expert wiring harness diagram. Gain a professional perspective for seamless troubleshooting and optimal performance.
In the intricate world of off-road adventures, delving into the Polaris Ranger XP 2005 wiring harness diagram is akin to unlocking the secrets of your vehicle's vital nerve center. Empathically designed for enthusiasts seeking a deeper connection with their machines, this comprehensive guide unravels the intricacies of the electrical pathways that empower your off-road companion. As we embark on this journey, the empathic voice of the wiring diagram unveils itself, bridging the gap between complexity and clarity. Join us as we navigate the circuits and connections that breathe life into your Polaris Ranger XP 2005, fostering an empathic understanding of every wire's role in the symphony of your off-road experience.
Top 10 important point for 2005 POLARIS RANGER XP WIRING HARNESS DIAGRAM
- Locating the Main Wiring Harness
- Identifying Connector Pins and Functions
- Understanding Color-Coded Wires
- Tracing Power Distribution Paths
- Connecting to the Battery Correctly
- Examining Fuse Box Configurations
- Diagnosing Grounding Points
- Decoding Switch and Relay Placement
- Exploring Component Wiring Integration
- Ensuring Water-Tight Connections
Several Facts that you should know about 2005 POLARIS RANGER XP WIRING HARNESS DIAGRAM.
Decoding the Heart of Your Ride
Embark on a journey of discovery as we unravel the intricacies of the 2005 Polaris Ranger XP wiring harness diagram. This visual roadmap serves as the key to understanding the heartbeat of your off-road companion, offering a profound insight into its electrical infrastructure.
Navigating the Wire Maze
With a multitude of wires weaving through your vehicle, understanding their paths is crucial. We'll guide you through the intricacies, helping you effortlessly navigate the wire maze and decode the purpose behind each connection.
Empowering Troubleshooting Skills
Equip yourself with the skills to troubleshoot effectively. This comprehensive guide empowers you to identify and address potential issues, ensuring your Polaris Ranger XP operates at its peak performance.
Color-Coded Clarity
Delve into the world of color-coded wires, where each hue signifies a specific function. This section provides clarity, making it easier for you to trace and understand the various connections within your vehicle.
Battery Connection Demystified
Ensure a seamless connection to the power source. We'll guide you through the correct procedure, demystifying the intricacies of connecting your wiring harness to the battery for optimal performance.
Guardians of Power: Fuses and Relays
Explore the critical role played by fuses and relays in safeguarding your vehicle's electrical components. This section highlights their placement and functionality, ensuring a fortified power distribution system.
Grounding for Stability
Uncover the importance of grounding points in maintaining stability and preventing electrical issues. This segment guides you through the process of identifying and optimizing grounding locations for a reliable electrical system.
Switches and Relays Unveiled
Peel back the layers surrounding switches and relays. Gain a deeper understanding of their placement and functionality, allowing you to control essential components effortlessly and ensuring a responsive ride.
Integration of Components
Witness the harmonious integration of various components within the wiring harness diagram. This section sheds light on how each piece collaborates to create a synchronized system, enhancing the overall performance of your Polaris Ranger XP.
Water-Tight Connections for Endurance
Explore the importance of water-tight connections in ensuring the endurance of your vehicle's electrical system. Learn how to safeguard against moisture and environmental factors, preserving the longevity of your Polaris Ranger XP.
The Art of Deciphering: Unveiling the 2005 Polaris Ranger XP Wiring Harness Diagram
Embarking on a journey into the intricacies of the 2005 Polaris Ranger XP wiring harness diagram is akin to exploring a cryptic masterpiece, where every line and connection tells a story of power, functionality, and synergy. As we delve into the depths of this enigmatic network of wires, connectors, and circuits, we are about to decipher the artistic creation that powers your off-road adventure companion.
A Canvas of Connections
Picture this wiring harness diagram as a canvas, each line representing a connection that breathes life into your Polaris Ranger XP. The intricacy of this network may seem daunting at first glance, but fear not; we are here to guide you through the strokes of power that illuminate your off-road experience.
Mapping the Journey: Locating the Main Wiring Harness
Our expedition begins with the quest to locate the main wiring harness, the epicenter of your vehicle's electrical realm. Transitioning from the visible components to the concealed pathways, this section unveils the hidden veins that carry the lifeblood of your Polaris Ranger XP.
The Dance of Colors: Understanding Color-Coded Wires
As we progress, we encounter the dance of colors within the wiring harness. Each hue represents a distinct purpose, creating a visual symphony that guides you through the intricate maze of connections. With an understanding of color-coded wires, you gain the ability to decode the language of your vehicle's nervous system.
Power Unleashed: Tracing Distribution Paths
The true essence of the Polaris Ranger XP lies in the power it harnesses. This section is dedicated to tracing the distribution paths of that power, understanding how energy flows through the intricate network. From the battery to various components, witness the journey of power as it fuels every adventure.
The Heartbeat Connection: Ensuring Battery Harmony
Every heartbeat needs a rhythm, and for your Polaris Ranger XP, the battery connection sets that rhythm. Transitioning into this segment, we guide you through the intricacies of connecting to the battery correctly. Uncover the secrets to ensuring a harmonious relationship between your vehicle and its power source.
The Guardian Duo: Navigating Fuse Box Configurations
Enter the realm of the guardian duo – fuses and relays. Navigating through the fuse box configurations, this section sheds light on the protective elements that stand guard over your Polaris Ranger XP's electrical components. Explore the strategic placement of these guardians and understand their crucial role in ensuring a smooth operation.
The Ground Beneath: Diagnosing Grounding Points
Just as a strong foundation supports a grand structure, proper grounding points are essential for stability in your Polaris Ranger XP's electrical system. In this segment, we delve into the art of diagnosing grounding points, ensuring a solid connection to the ground beneath and preventing potential electrical issues.
Switches and Relays: Masters of Control
Enter the realm of switches and relays, the masters of control within your Polaris Ranger XP. This section unveils the strategic placement and functionality of these components, providing you with the knowledge to command essential features effortlessly and ensuring a responsive ride.
Component Symphony: Exploring Integration
Witness the harmonious integration of various components within the wiring harness diagram. Like instruments in an orchestra, each piece plays a unique role, contributing to the overall symphony of your Polaris Ranger XP. This segment sheds light on how these components collaborate to create a synchronized system, enhancing the performance of your off-road companion.
Weathering the Storm: Water-Tight Connections
Our creative journey concludes by emphasizing the importance of water-tight connections. Explore the techniques to safeguard your Polaris Ranger XP against moisture and environmental factors, ensuring the endurance and longevity of your vehicle's electrical system, regardless of the challenges it may face.
As we draw the curtain on our exploration, we hope this artistic endeavor into the 2005 Polaris When delving into the intricacies of the 2005 Polaris Ranger XP wiring harness diagram, it's essential to approach the task with a methodical and instructional perspective. Here's a step-by-step guide to navigate this essential document: In concluding our exploration of the 2005 Polaris Ranger XP wiring harness diagram, we trust that this comprehensive guide has equipped you with the knowledge and insights needed to unravel the complexities of your off-road companion's electrical system. By understanding the intricacies of the wiring diagram, you've gained a valuable tool for troubleshooting, optimizing performance, and ensuring the longevity of your Polaris Ranger XP. As you embark on future off-road adventures, remember that the 2005 Polaris Ranger XP wiring harness diagram is more than just a technical illustration; it's a roadmap to a deeper connection with your vehicle. Utilize this knowledge to empower yourself as a responsible owner, capable of maintaining, diagnosing, and enhancing the electrical integrity of your Polaris Ranger XP. Should you encounter challenges or seek further insights, consider consulting with professionals or referring back to this guide as a reference point. May your journeys be filled with reliability, performance, and the thrill of off-road exploration! People Also Ask About the 2005 Polaris Ranger XP Wiring Harness Diagram: Q1: Is understanding the wiring harness diagram essential for non-experts? A1: Absolutely! While it may seem complex, grasping the 2005 Polaris Ranger XP wiring harness diagram is crucial for all enthusiasts. It empowers non-experts to troubleshoot issues, enhance performance, and develop a deeper connection with their off-road vehicle. Q2: How can I decipher the color-coded wires without prior experience? A2: Fear not! The color-coded wires in the wiring diagram are designed with empathic clarity. Each hue corresponds to a specific function, making it accessible for individuals without prior experience. It's a visual language that speaks to the novice and the seasoned enthusiast alike. Q3: Are there common troubleshooting tips for the wiring harness? A3: Certainly! When troubleshooting the 2005 Polaris Ranger XP wiring harness diagram, approach it with an empathic mindset. Check for loose connections, inspect color-coded wires, and be attentive to any signs of wear or damage. This empathic approach ensures a thorough diagnosis and effective resolution. Q4: Can I perform maintenance on the wiring harness without professional help? A4: Absolutely! The wiring harness maintenance, guided by an empathic understanding, is well within reach for enthusiasts. Regular checks, secure connections, and attention to detail go a long way in ensuring the longevity and reliability of your Polaris Ranger XP's electrical system. Another point of view about 2005 POLARIS RANGER XP WIRING HARNESS DIAGRAM.

No comments: