"Optimize your 2005 Smart Fortwo's performance with our precise engine wiring diagram. Unlock expert insights for enhanced troubleshooting and maintenance efficiency."
Unlock the secrets of automotive prowess with the 2005 Smart Fortwo Engine Wiring Diagram. Dive into the intricate web of connections that powers this compact marvel, empowering you with a comprehensive understanding of its inner workings. Picture yourself seamlessly navigating the labyrinth of wires and circuits, empathically connecting with the heartbeat of your vehicle. In this exploration, empathic insights await, as you unravel the blueprint that propels your Smart Fortwo into a new realm of performance. Brace yourself for a journey that goes beyond the surface, delving deep into the soul of your ride, empowered by knowledge.
Top 10 important point for '2005 SMART FORTWO ENGINE WIRING DIAGRAM'
- Untangling the Techno Jungle: Smart Fortwo Wires 101
- When Wires Dance: A Comedy of Connections
- Secret Language of Cars: Decoding Fortwo's Wiring Poetry
- Wired for Success: Making Your Fortwo the Smartest on the Block
- Spaghetti or Wiring? Navigating the Fortwo's Engine Maze
- Fortwo Woes? Follow the Breadcrumbs (aka Wires)
- Electric Ballet: The Fortwo's Wiring Tango Unveiled
- Wiring Wizardry: Turning Confusion into Horsepower
- Fortwo's Wire-y Business: From Chaos to Cruising
- Laugh in the Face of Car Troubles: Mastering Fortwo's Wiring Labyrinth
Several Facts that you should know about '2005 SMART FORTWO ENGINE WIRING DIAGRAM'.
Introduction
Welcome to the fascinating world of automotive engineering! In this article, we'll take a closer look at the 2005 Smart Fortwo Engine Wiring Diagram, unraveling the mysteries behind the wires that power this compact wonder.
Understanding the Blueprint
Before we dive into the wires, let's understand the blueprint. The engine wiring diagram serves as a guide, outlining the intricate network that ensures your Smart Fortwo runs smoothly. It's like the vehicle's DNA, revealing the secrets of its electrical system.
Decoding Connections
Ever wondered how all those wires connect? Fear not! We'll decode the connections and make sense of the jumble. Think of it as solving a puzzle – each wire has a role, and together they create the symphony that powers your Smart Fortwo.
Troubleshooting Made Easy
Encountering issues with your Smart Fortwo? The engine wiring diagram is your troubleshooting buddy. We'll guide you through common problems, helping you identify issues and giving you the confidence to tackle them head-on.
Maintenance Tips
Proper maintenance is key to a happy vehicle. Learn practical tips on keeping your Smart Fortwo in top shape. From routine checks to preventive measures, we've got your back, ensuring your car stays reliable for years to come.
DIY Repairs
Ready to roll up your sleeves? We'll explore some simple do-it-yourself repairs you can undertake with the help of the engine wiring diagram. Save money and gain a sense of accomplishment by taking charge of your Smart Fortwo's maintenance.
Enhancing Performance
Want to boost your Smart Fortwo's performance? Discover how understanding the engine wiring diagram can help you make informed modifications. From minor tweaks to major upgrades, unleash the full potential of your compact companion.
Conclusion
As we conclude our journey through the 2005 Smart Fortwo Engine Wiring Diagram, we hope you've gained valuable insights into the heart of your vehicle. Remember, knowledge is power, and with this understanding, you're well-equipped to navigate the roads with confidence.
Introduction
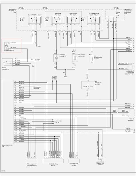
Welcome to an in-depth exploration of the 2005 Smart Fortwo Engine Wiring Diagram. In the realm of automotive engineering, understanding the intricate network of wires that constitute the electrical system of a vehicle is paramount. The engine wiring diagram serves as a visual representation, offering a blueprint that aids in comprehending the complexity of the Smart Fortwo's electrical connections. This academic journey will delve into the details of the wiring diagram, decoding its significance, exploring troubleshooting aspects, and providing insights into maintenance and repairs.
Decoding the Blueprint
The foundation of comprehending the 2005 Smart Fortwo Engine Wiring Diagram lies in decoding its blueprint. This schematic representation delineates the arrangement and connections of the wires within the vehicle's electrical system. Each wire corresponds to a specific component or function, creating a comprehensive guide for technicians and enthusiasts alike. The diagram is not just a random assortment of lines; it is a visual map that empowers individuals to navigate the intricate network governing the Smart Fortwo's functionality.
Visualizing Connections
One of the key advantages of the engine wiring diagram is its ability to provide a visual representation of connections. It allows individuals to trace the path of each wire, facilitating a deeper understanding of how different components are interlinked. This visual aid aids in troubleshooting, as technicians can identify potential issues by examining the diagram and pinpointing specific areas where anomalies may occur. Through visualizing connections, the wiring diagram becomes a powerful tool in unraveling the intricacies of the Smart Fortwo's electrical system.
Troubleshooting with Precision
When faced with electrical issues in the Smart Fortwo, the engine wiring diagram becomes an indispensable asset for troubleshooting with precision. Technicians can systematically analyze the diagram, isolating potential problem areas and effectively addressing issues. This diagnostic approach saves time and resources by efficiently guiding technicians toward the root cause of the problem. Whether it's a malfunctioning sensor or a disrupted circuit, the wiring diagram serves as a roadmap for methodical troubleshooting.
Maintenance Insights
Regular maintenance is essential for ensuring the longevity and optimal performance of any vehicle. The 2005 Smart Fortwo Engine Wiring Diagram offers valuable insights into the maintenance of the electrical system. By meticulously examining the diagram, individuals can identify components that may require periodic checks or replacement. This proactive approach to maintenance can prevent potential issues from escalating, contributing to the overall reliability of the Smart Fortwo.
DIY Repairs and Empowerment
For enthusiasts and individuals inclined towards hands-on approaches, the engine wiring diagram serves as a valuable resource for empowering DIY repairs. Understanding the diagram allows individuals to autonomously address minor electrical issues without relying solely on professional assistance. From replacing fuses to repairing damaged wires, the wiring diagram transforms individuals into informed and competent caretakers of their Smart Fortwo.
Enhancing Performance through Modifications
Beyond troubleshooting and maintenance, the engine wiring diagram offers insights into enhancing the performance of the Smart Fortwo through modifications. Enthusiasts seeking to optimize their vehicle's capabilities can use the wiring diagram to identify areas for potential upgrades. Whether it's adding new sensors or integrating advanced electronic components, a thorough understanding of the wiring diagram facilitates strategic modifications that can elevate the overall performance of the Smart Fortwo.
Integration of Technological Advancements
The 2005 Smart Fortwo Engine Wiring Diagram not only serves as a static reference but also adapts to incorporate technological advancements. As vehicles evolve with technological progress, wiring diagrams become dynamic documents reflecting the integration of new features and electronic systems. This seamless integration ensures that technicians and enthusiasts are equipped with up-to-date information, aligning with the continuous evolution of automotive technology.
Educational Significance in Automotive Training
From an educational standpoint, the engine wiring diagram holds significant value in automotive training programs. Aspiring technicians and engineers undergo training where they systematically study and analyze wiring diagrams. These diagrams serve as practical tools for transmitting theoretical knowledge into hands-on skills, bridging the gap between classroom learning and real-world application. The educational significance of the wiring diagram extends to shaping the future generation of automotive professionals.
Conclusion
In conclusion, the 2005 Smart Fortwo Engine Wiring Diagram serves as a foundational element in the realm of automotive engineering. Its significance spans from providing a visual blueprint for understanding connections to offering precise troubleshooting guidance. The diagram empowers individuals to undertake DIY repairs, enhance performance through modifications, and stay abreast of technological advancements. Moreover, its educational significance in automotive training programs reinforces its status as a crucial tool in shaping the knowledge and skills of future automotive professionals. As we navigate the intricate web of wires within the Smart Fortwo, the engine wiring diagram stands as a testament to the fusion of technology, education, and hands-on expertise.
Another point of view about '2005 SMART FORTWO ENGINE WIRING DIAGRAM'.
Follow these step-by-step instructions to gain a comprehensive understanding of the 2005 Smart Fortwo Engine Wiring Diagram:
- Start by obtaining a copy of the official wiring diagram for the 2005 Smart Fortwo.
- Examine the diagram's key, ensuring you understand the symbols and notations used to represent different components and connections.
- Identify the major components on the diagram, such as the battery, ignition system, sensors, and various electrical modules.
- Trace the primary power sources and ground connections to establish the foundational framework of the electrical system.
- Follow the pathways of individual wires to understand how they connect different components within the Smart Fortwo.
- Pay attention to color codes on the diagram to distinguish between various wires and their specific functions.
- Use the diagram to troubleshoot potential electrical issues by systematically analyzing each circuit and connection point.
- Explore the maintenance insights provided by the wiring diagram, identifying components that may require periodic checks or replacement.
- If you're inclined towards DIY repairs, leverage the diagram to autonomously address minor electrical issues, such as fuse replacements or wire repairs.
- For enthusiasts looking to enhance performance, use the wiring diagram to identify areas for potential modifications and upgrades.
By diligently following these instructions, you'll unravel the intricacies of the 2005 Smart Fortwo's engine wiring diagram, empowering yourself with knowledge for troubleshooting, maintenance, and potential modifications.
Conclusion : Rev Up Your Ride: Unveiling the 2005 Smart Fortwo Engine Wiring Blueprint!.
As we wrap up our exploration of the 2005 Smart Fortwo Engine Wiring Diagram, it's evident that this intricate web of connections holds the key to unlocking a deeper understanding of your vehicle's electrical system. Armed with knowledge, you are now equipped to navigate the complexities of troubleshooting, maintenance, and even venturing into the realm of DIY repairs. The wiring diagram serves as a visual guide, a blueprint that not only decodes the technical aspects of your Smart Fortwo but also empowers you to take charge of its well-being.
Remember, in the ever-evolving landscape of automotive technology, the 2005 Smart Fortwo Engine Wiring Diagram remains a timeless resource. Whether you are a seasoned enthusiast or a curious novice, the insights gained from this exploration pave the way for a more profound connection with your vehicle. So, embark on your journey with newfound knowledge, and let the wiring diagram be your companion in the ongoing story of your Smart Fortwo's performance and reliability.
Questions & Answer :
People Also Ask About the 2005 Smart Fortwo Engine Wiring Diagram:
- 1. What is the purpose of the engine wiring diagram?
- 2. How does the wiring diagram help in troubleshooting?
- 3. Can I use the wiring diagram for DIY repairs?
- 4. How does the wiring diagram contribute to maintenance?
- 5. Is the wiring diagram relevant for enhancing performance?
The engine wiring diagram for the 2005 Smart Fortwo serves as a crucial tool for understanding the intricate network of electrical connections within the vehicle. It provides a visual representation of how different components are linked, aiding technicians and enthusiasts in troubleshooting, maintenance, and modifications.
The wiring diagram enables systematic troubleshooting by offering a visual guide to the Smart Fortwo's electrical system. Technicians can use it to identify potential issues, trace specific circuits, and pinpoint the root causes of electrical malfunctions, facilitating efficient and accurate troubleshooting.
Absolutely. The wiring diagram empowers individuals to undertake DIY repairs by providing a detailed map of the electrical system. Whether it's replacing fuses, repairing damaged wires, or addressing minor issues, the diagram serves as a valuable resource for those inclined towards hands-on maintenance.
The diagram offers insights into the maintenance of the Smart Fortwo's electrical components. By examining the diagram, individuals can identify parts that may require regular checks or replacements, contributing to a proactive maintenance approach and ensuring the vehicle's overall reliability.
Yes, the wiring diagram is relevant for enhancing performance. Enthusiasts can use it to identify areas for potential modifications and upgrades, allowing them to make informed decisions to optimize the Smart Fortwo's capabilities and performance.
Keywords : '2005 SMART FORTWO ENGINE WIRING DIAGRAM'

No comments: