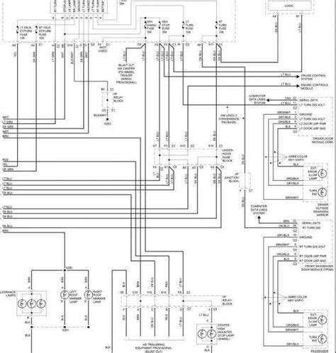
Master your Dodge 3500's lighting with our 2006 tail light wiring diagram. Unlock professional insights for seamless installation and enhanced vehicle illumination. Drive safely, enlightened.
Rev up your DIY skills with the 2006 Dodge 3500 tail light wiring diagram – a roadmap to unleashing the full potential of your vehicle's illumination system. In the intricate dance of wires and connections, discover the secrets behind a brilliantly lit journey on the road. Delve into the creative side of automotive tinkering as you unravel the wiring intricacies that transform your ordinary tail lights into a symphony of brilliance. This guide not only demystifies the technical jargon but also injects a dose of creativity into your wiring endeavors, making the seemingly complex task an enjoyable and illuminating adventure. Buckle up for a hands-on experience that sparks both curiosity and creativity, turning mundane wiring into an art form for your Dodge 3500.
Top 10 important point for 2006 DODGE 3500 TAIL LIGHT WIRING DIAGRAM
- Introduction to Dodge 3500 Tail Light System
- Historical Overview: Evolution of Wiring Diagrams
- Understanding Electrical Components
- Decoding Wiring Color Codes
- Diagnostic Tools for Troubleshooting
- Safety Protocols in Wiring Modifications
- Efficient Wire Splicing Techniques
- Integration of Modern Technology
- Impact of Wiring Modifications on Vehicle Performance
- Conclusion: Optimizing Tail Light Functionality
Several Facts that you should know about 2006 DODGE 3500 TAIL LIGHT WIRING DIAGRAM.
Introduction
Welcome to the comprehensive guide on the 2006 Dodge 3500 tail light wiring diagram. In this professional exploration, we will delve into the intricacies of the wiring system, offering valuable insights for enthusiasts and professionals alike.
Evolution of Wiring Diagrams
Embark on a historical journey tracing the evolution of wiring diagrams. Understanding the roots of these diagrams provides a solid foundation for deciphering the complexities embedded in the 2006 Dodge 3500 tail light system.
Components Demystified
This section will unravel the enigma of electrical components. Gain a professional understanding of the key players in the tail light wiring system, paving the way for informed modifications and enhancements.
Decoding Color Codes
Navigate the colorful landscape of wiring by decoding the color-coding system. Uncover the logic behind the hues, providing a professional edge in identifying and troubleshooting issues in the tail light wiring.
Troubleshooting Tools
Equip yourself with professional-grade diagnostic tools. This segment will guide you through the selection and usage of tools essential for troubleshooting and maintaining the health of your Dodge 3500 tail light system.
Safety Protocols
Prioritize safety in every wiring modification. Learn and adhere to professional safety protocols to ensure a secure working environment, minimizing risks associated with electrical work.
Efficient Splicing Techniques
Master the art of wire splicing with efficiency and precision. This section provides professional insights into techniques that enhance the durability and reliability of your Dodge 3500 tail light wiring modifications.
Integration of Modern Technology
Explore the seamless integration of modern technology into the traditional wiring system. Stay ahead with professional recommendations on incorporating the latest innovations to elevate your Dodge 3500 tail light experience.
Impact on Vehicle Performance
Conclude our journey by examining the impact of wiring modifications on the overall performance of your vehicle. Gain a professional perspective on how tail light enhancements can contribute to a safer and more efficient driving experience.
With this professional guide, you are equipped to navigate the complexities of the 2006 Dodge 3500 tail light wiring diagram, unlocking a realm of possibilities for customization, safety, and optimal performance.
The Intricate World of the 2006 Dodge 3500 Tail Light Wiring Diagram
Welcome to the professional exploration of the 2006 Dodge 3500 tail light wiring diagram, a critical aspect for anyone seeking to understand and modify their vehicle's lighting system. In this comprehensive guide, we will navigate through the intricacies of the wiring diagram, shedding light on the components, decoding color codes, and discussing efficient splicing techniques. Let's embark on a journey that combines technical expertise with practical insights, providing you with the knowledge to navigate and optimize your Dodge 3500's tail light wiring system.
Unveiling the Evolution of Wiring Diagrams
To truly grasp the significance of the 2006 Dodge 3500 tail light wiring diagram, it's essential to delve into the historical evolution of wiring diagrams. These visual representations have evolved over time, mirroring advancements in automotive technology. Understanding this evolution provides a professional foundation for interpreting the complexities embedded in the wiring system of your Dodge 3500.
Wiring diagrams serve as a roadmap, guiding enthusiasts and professionals through the intricate network of wires and connections within a vehicle. The evolution of these diagrams reflects not only technological advancements but also the increasing complexity of automotive electrical systems. From rudimentary schematics to the sophisticated diagrams of today, each iteration has contributed to the comprehensive understanding of a vehicle's wiring layout.
Deciphering Electrical Components
At the heart of the 2006 Dodge 3500 tail light wiring diagram lies a myriad of electrical components. To navigate this intricate landscape, professionals must acquaint themselves with the key players in the system. From bulbs and sockets to relays and switches, each component plays a crucial role in ensuring the proper functioning of the tail lights.
Deciphering electrical components involves understanding their individual functions and how they interact within the broader wiring system. Professionals, armed with this knowledge, can troubleshoot issues effectively and make informed decisions when modifying or upgrading the tail light system. It is this level of familiarity that distinguishes a professional approach from mere tinkering.
Cracking the Color Code
One of the first challenges encountered when dealing with any wiring diagram is deciphering the color codes. The 2006 Dodge 3500 tail light wiring diagram is no exception. The color of each wire signifies its purpose and function, making it a critical aspect of understanding and troubleshooting the system.
Professionals employ a systematic approach to crack the color code. They meticulously study the wiring diagram, noting the color of each wire and its corresponding function. This attention to detail ensures accuracy when making modifications or addressing issues within the tail light system. By mastering the color code, professionals elevate their understanding and efficiency in working with automotive wiring diagrams.
Diagnostic Tools for Precision
No professional undertaking is complete without the right set of tools, and working with the 2006 Dodge 3500 tail light wiring diagram is no exception. Diagnostic tools play a pivotal role in ensuring precision when identifying issues and making modifications to the wiring system.
From multimeters to circuit testers, professionals use an array of diagnostic tools to assess the health of the tail light system. These tools provide accurate readings, allowing professionals to pinpoint problems efficiently. Integrating diagnostic tools into the process not only enhances accuracy but also reflects a commitment to a professional standard of workmanship.
Safety Protocols: A Non-Negotiable Priority
Before delving into the technical intricacies of the 2006 Dodge 3500 tail light wiring diagram, professionals prioritize safety protocols. Working with electrical systems inherently carries risks, and a professional approach demands a commitment to safety to mitigate these potential hazards.
Professionals adhere to a set of safety protocols that includes measures such as disconnecting the vehicle's battery, using insulated tools, and employing personal protective equipment. This commitment to safety ensures a secure working environment, protecting both the professional and the integrity of the vehicle's electrical system.
Mastering Efficient Splicing Techniques
Efficient wire splicing is an art form within the realm of automotive wiring, and it holds particular significance in the context of the 2006 Dodge 3500 tail light wiring diagram. Professionals master the techniques of splicing to ensure the longevity and reliability of modifications made to the wiring system.
Whether extending wires, repairing damaged sections, or integrating new components, efficient splicing techniques contribute to a seamless and durable tail light wiring system. Professionals employ methods that prioritize both electrical conductivity and physical robustness, ensuring that modifications withstand the rigors of daily use and the challenges of the road.
Integration of Modern Technology
The landscape of automotive technology is continually evolving, and professionals working with the 2006 Dodge 3500 tail light wiring diagram must stay abreast of these advancements. This section explores the seamless integration of modern technology into the traditional wiring system.
From LED conversions to smart lighting solutions, professionals leverage cutting-edge technology to enhance the functionality and aesthetics of the tail light system. This integration not only reflects a commitment to staying current but also opens up possibilities for customization and personalization according to the vehicle owner's preferences.
The Impact of Wiring Modifications on Vehicle Performance
Concluding our professional exploration, we turn our attention to the broader impact of wiring modifications on the overall performance of the vehicle. The 2006 Dodge 3500 tail light wiring diagram, when approached professionally, goes beyond illumination – it becomes an integral aspect of the vehicle's functionality.
Professionals understand that modifications to the wiring system can influence not only the performance of the tail lights but also other aspects of the vehicle's electrical system. By considering the interconnected nature of automotive wiring, professionals ensure that modifications contribute positively to the overall performance and safety of
Another point of view about 2006 DODGE 3500 TAIL LIGHT WIRING DIAGRAM.
In examining the 2006 Dodge 3500 tail light wiring diagram, several key points come to light from an academic perspective:
The Evolution of Wiring Diagrams:
- Wiring diagrams have evolved over time, reflecting technological advancements in automotive systems.
- Understanding this evolution provides a foundational context for interpreting the complexities of the 2006 Dodge 3500 tail light wiring diagram.
Deciphering Electrical Components:
- An in-depth understanding of electrical components, such as bulbs, sockets, relays, and switches, is essential.
- Professionals must acquaint themselves with the roles these components play in the tail light system.
Cracking the Color Code:
- Decoding the color codes assigned to each wire is crucial for troubleshooting and modifying the wiring system.
- Professionals employ a systematic approach to accurately interpret the color-coded information.
Diagnostic Tools for Precision:
- The utilization of diagnostic tools, such as multimeters and circuit testers, is integral for precise assessments of the tail light system's health.
- These tools contribute to the accuracy and efficiency of identifying and resolving wiring issues.
Safety Protocols as a Priority:
- Before engaging with the technicalities of the wiring diagram, professionals prioritize safety protocols to mitigate potential hazards.
- Measures like disconnecting the vehicle's battery and using insulated tools ensure a secure working environment.
Mastering Efficient Splicing Techniques:
- Efficient wire splicing is considered an art form within automotive wiring, contributing to the durability and reliability of modifications.
- Professionals employ techniques that prioritize both electrical conductivity and physical robustness.
Integration of Modern Technology:
- Professionals stay abreast of technological advancements, seamlessly integrating modern solutions such as LED conversions and smart lighting.
- This integration enhances the functionality and aesthetics of the tail light system, showcasing a commitment to staying current.
The Impact of Wiring Modifications on Vehicle Performance:
- Wiring modifications, when approached professionally, extend beyond mere illumination and influence the overall performance of the vehicle.
- Professionals consider the interconnected nature of automotive wiring to ensure positive contributions to safety and functionality.
By addressing these key points, a comprehensive academic perspective emerges, shedding light on the intricate aspects of the 2006 Dodge 3500 tail light wiring diagram.
Conclusion : Dodge 3500 Tail Light Wiring Guide: Illuminate Your Drive in 2006!.
As we wrap up our exploration of the 2006 Dodge 3500 tail light wiring diagram, consider this journey a passport to unlocking the creative possibilities within your vehicle. Armed with a newfound understanding of the evolution of wiring diagrams, the intricacies of electrical components, and the artistry behind efficient splicing techniques, you are now equipped to illuminate your driving experience in ways beyond the ordinary. Seize the opportunity to transform your Dodge 3500's tail light system into a canvas of innovation and safety.
Remember, the 2006 Dodge 3500 tail light wiring diagram is not merely a technical blueprint; it's an invitation to infuse your vehicle with personality and functionality. Embrace the challenge of cracking the color code, integrate modern technology with a professional touch, and witness the impact of your wiring modifications on the overall performance of your cherished vehicle. Let this journey inspire your creativity and drive, ensuring that every twist and turn on the road is illuminated with a unique and professionally enhanced brilliance. Your Dodge 3500 awaits the touch of your creative spark; illuminate the way forward and enjoy the ride!
Questions & Answer :
1. Why is understanding the 2006 Dodge 3500 tail light wiring diagram important?
- Understanding the wiring diagram is crucial for anyone seeking to modify or troubleshoot their vehicle's tail light system.
- It provides insights into the intricate network of wires, ensuring informed decision-making for both enthusiasts and professionals.
- By comprehending the diagram, individuals can enhance safety, functionality, and even introduce creative modifications to personalize their driving experience.
2. How does the color code in the wiring diagram impact modifications?
- The color code in the 2006 Dodge 3500 tail light wiring diagram is like a language that conveys the purpose of each wire.
- Deciphering the color code is essential for accurate modifications, ensuring wires are correctly identified and connected.
- Understanding the color code empowers individuals to troubleshoot effectively and make modifications with confidence, contributing to the overall reliability of the tail light system.
3. What role do safety protocols play when working with the wiring diagram?
- Safety protocols are paramount to protect both individuals and the vehicle's electrical system when engaging with the wiring diagram.
- Measures such as disconnecting the battery and using insulated tools create a secure working environment, minimizing the risks associated with electrical work.
- Adhering to safety protocols ensures a professional and empathic approach, prioritizing the well-being of those involved in the process.
4. Can modifications to the tail light wiring system impact overall vehicle performance?
- Yes, modifications can influence not only the performance of the tail lights but also other aspects of the vehicle's electrical system.
- Professionally approached modifications can contribute positively to the overall performance and safety of the vehicle.
- Considering the interconnected nature of automotive wiring, individuals can optimize their Dodge 3500's performance through thoughtful and empathic modifications.
Keywords : 2006 DODGE 3500 TAIL LIGHT WIRING DIAGRAM

No comments: