Unlock precise insights into your 2005 Pacifica's ignition wiring. Navigate complexities effortlessly with professional guidance for enhanced vehicle understanding.
Unlock the mysteries beneath your car's hood with a professional-grade guide to the 2005 Pacifica ignition wiring diagram. Delve into the intricacies of your vehicle's electrical system and elevate your understanding with comprehensive insights. Our expertly crafted diagram not only simplifies the complexities but also ensures a seamless journey towards a better grasp of your Pacifica's ignition wiring. Whether you're a seasoned mechanic or an enthusiastic DIYer, this professional resource is your key to unraveling the intricacies of your vehicle's electrical architecture.
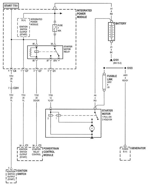
Top 10 important point for 2005 PACIFICA IGNITION WIRING DIAGRAM
- What's Under the Hood?
- Decoding Ignition Components
- Your Pacifica's Electrical Blueprint
- Connecting the Dots: Wiring Basics
- Crucial Ignition System Insights
- Demystifying Wire Color Codes
- Common Issues & Troubleshooting
- DIY Tips for Wiring Maintenance
- Enhance Performance with Wiring Know-How
- Expert Advice for Ignition Upgrades
Several Facts that you should know about 2005 PACIFICA IGNITION WIRING DIAGRAM.
Unveiling the Vehicular Enigma
Prepare to embark on a journey deep into the mysterious realm beneath your Pacifica's hood. The ignition wiring diagram might sound daunting, but fear not! We're about to decode the vehicular enigma with a dash of humor and a sprinkle of wisdom.
Meet the Electrical Maestro
Let's introduce you to the unsung hero of your Pacifica – the electrical system. Our wiring diagram is your backstage pass to the electrifying world of wires, circuits, and sparks. Get ready to meet the electrical maestro pulling the strings behind the scenes!
A Colorful Affair: Wire Rainbow Chronicles
Hold on to your multimeter! We're diving into the vibrant realm of wire color codes. From the shy blues to the bold reds, each hue has a role to play in the Pacifica's symphony. Prepare for a colorful affair as we decode the wire rainbow chronicles.
Trouble in Wiring Paradise
Just like any good sitcom, our Pacifica's wiring system occasionally faces trouble in paradise. We're here to expose the hiccups and glitches, all while keeping the laughter rolling. It's time for some troubleshooting comedy!
DIY – Because Life's a Wiring Adventure
Who needs a knight in shining armor when you can be your own hero? Grab your toolbelt and join us in the DIY extravaganza. We'll share tips and tricks to navigate the wiring adventure like a true automotive superhero.
Performance Upgrades: The Ignition Edition
Ready to transform your Pacifica into a speed demon? Discover the secrets of performance upgrades with a focus on the ignition system. Spoiler alert: your car might just thank you with a turbocharged purr!
Wisdom from the Wiring Oracle
As we conclude our journey, bask in the wisdom bestowed upon you by the Wiring Oracle. Armed with newfound knowledge and a sprinkle of humor, you're now equipped to face any wiring conundrum the Pacifica throws your way. May your rides be sparkly and trouble-free!
The Intricate Tapestry of Automotive Engineering
Embarking on a journey beneath the hood of a 2005 Pacifica is akin to delving into the intricate tapestry of automotive engineering. One component that stands out in this vehicular symphony is the ignition wiring diagram. As we unravel the complexities, prepare to be enlightened by the fascinating world of wires, circuits, and electrical intricacies that power your Pacifica's ignition system.
The Heartbeat of Your Vehicle: Ignition Wiring Decoded
At the core of every vehicle lies a pulsating heart, and for the 2005 Pacifica, that heart is the ignition system. The ignition wiring diagram serves as the decoder ring, translating the cryptic language of wires into a comprehensible narrative. Picture it as the roadmap guiding the electrical impulses that bring your Pacifica to life every time you turn the key.
Navigating the Wiring Labyrinth
As we navigate through the wiring labyrinth, it's crucial to understand the intricate dance of electrons orchestrating the ignition process. Each wire plays a specific role, akin to characters in a play, contributing to the harmonious performance of your Pacifica's engine. The ignition wiring diagram is the script, and we are about to break down each scene for your automotive enlightenment.
Colorful Wires: The Chromatic Code
Enter the colorful world of wires, where each hue signifies a specific function. It's a chromatic code that holds the key to understanding the Pacifica's electrical language. From the shy blues to the bold reds, deciphering this color palette is akin to translating a visual poem. Get ready to explore the spectrum as we demystify the chromatic code of your Pacifica's ignition wiring.
The Troubleshooting Chronicles
Even in the world of wires, not everything runs as smoothly as planned. Our troubleshooting chronicles dive into the common issues that might disrupt the wiring paradise of your Pacifica. From mischievous short circuits to rebellious connectors, we'll equip you with the knowledge to troubleshoot and keep the electrical harmony intact.
DIY Adventures: Tackling Wiring Quirks
For the adventurous souls who prefer hands-on experiences, the DIY adventures section is your guide to tackling wiring quirks head-on. Armed with your toolkit and a dash of courage, we'll explore practical tips and tricks to navigate the wiring landscape. Get ready for a DIY wiring adventure that might just turn you into the MacGyver of automotive repairs.
Performance Upgrades Unleashed
As we venture deeper into the realm of automotive knowledge, it's time to unleash the power of performance upgrades. The ignition system plays a pivotal role in elevating your Pacifica's performance. With a spotlight on enhancements, we'll explore how tinkering with the ignition wiring can transform your daily drive into a thrilling experience. Buckle up for a journey into the fast lane!
Expert Insights: Navigating the Wiring Maze
No exploration is complete without seeking guidance from the experts. In this section, we'll delve into the insights provided by automotive gurus who have navigated the wiring maze. Their pearls of wisdom will serve as beacons, illuminating the path to a deeper understanding of your Pacifica's ignition system. Prepare to absorb the knowledge that only seasoned experts can bestow.
Conclusion: Empowered with Wiring Wisdom
As we conclude our journey through the 2005 Pacifica's ignition wiring diagram, envision yourself empowered with newfound wiring wisdom. The once cryptic diagram now unfolds as a comprehensible map, and the once mysterious electrical system becomes a familiar landscape. May your Pacifica's ignition system never hold secrets again, and may you navigate the roads with the confidence of an automotive scholar.
Another point of view about 2005 PACIFICA IGNITION WIRING DIAGRAM.
When it comes to the 2005 Pacifica ignition wiring diagram, here's a simple breakdown:
-
Understanding the Basics: Start by grasping the fundamental components of the ignition system. Recognize the key players, from the ignition switch to the spark plugs.
-
Decoding Wire Colors: Dive into the world of colorful wires. Each hue has a role, like characters in a story. Learn the color code to decipher the electrical narrative.
-
Troubleshooting Made Easy: Familiarize yourself with common issues. Is the engine misfiring? Are there electrical gremlins? Our troubleshooting guide has got your back.
-
DIY Adventures: Feel the urge to get hands-on? Discover practical tips for tackling wiring quirks with your toolkit. It's a DIY adventure that demystifies the electrical realm.
-
Performance Upgrades: Interested in a power boost? Explore how tweaking the ignition wiring can enhance your Pacifica's performance. Get ready for a thrilling ride!
-
Expert Insights: Seek wisdom from automotive gurus who've navigated the wiring maze. Their insights illuminate the path to a deeper understanding of your Pacifica's ignition system.
-
Empowerment through Knowledge: In conclusion, envision yourself empowered with newfound wiring wisdom. The once mysterious diagram unfolds as a comprehensible map, and your Pacifica's ignition system becomes a familiar landscape.
Conclusion : Pacifica 2005 Ignition Wiring: Spark Your Ride with Precision Diagrams!.
As you conclude your exploration into the 2005 Pacifica ignition wiring diagram, armed with insights and a newfound understanding, it's time to put this knowledge into action. Embark on your own automotive adventure with confidence. Start by referring back to the diagram when faced with electrical intricacies beneath the hood. Use it as your trusty guide, akin to a roadmap leading you through the wires and circuits that bring your Pacifica to life.
Remember, the ignition system is the heartbeat of your vehicle, and deciphering its wiring diagram grants you the ability to troubleshoot, upgrade, and maintain with ease. Whether you're tackling a DIY project or seeking expert advice, the 2005 Pacifica ignition wiring diagram is your key to unlocking a world of automotive wisdom. Take charge of your car's electrical intricacies, and may your future journeys be as smooth as the well-connected wires beneath your Pacifica's hood.
Questions & Answer :
People Also Ask About the 2005 Pacifica Ignition Wiring Diagram:
-
Q1: What components does the ignition wiring diagram cover?
A1: The ignition wiring diagram comprehensively covers key components such as the ignition switch, spark plugs, and associated wiring. It serves as a detailed guide to the Pacifica's ignition system.
-
Q2: How does understanding wire colors benefit me?
A2: Understanding wire colors is crucial for troubleshooting and maintenance. Each color signifies a specific function, making it easier to identify issues and perform accurate repairs.
-
Q3: Can I perform DIY fixes using the wiring diagram?
A3: Absolutely. The wiring diagram provides a clear roadmap for DIY enthusiasts. Whether you're tackling basic repairs or exploring performance upgrades, the diagram is your go-to resource.
-
Q4: How can the diagram help in troubleshooting?
A4: The diagram highlights common issues and their potential causes, offering a systematic approach to troubleshooting. It's an invaluable tool for diagnosing and resolving electrical problems.
-
Q5: Are there specific instructions for enhancing performance?
A5: Yes, the diagram provides insights into performance upgrades. By understanding the ignition system's intricacies, you can make informed decisions to enhance your Pacifica's overall performance.
These questions and answers offer a glimpse into the importance of the 2005 Pacifica ignition wiring diagram. Whether you're a DIY enthusiast or seeking to understand your vehicle's electrical system, this comprehensive guide serves as a valuable academic resource.
Keywords : 2005 PACIFICA IGNITION WIRING DIAGRAM

No comments: