Explore the intricate design of the 2005 Polaris 120 carb and engine schematic. Gain a professional insight into snowmobile performance and enhance your technical understanding for a superior riding experience.
In the intricate realm of snowmobile enthusiasts, delving into the mechanics of the 2005 Polaris 120 proves to be an intellectual pursuit that captivates the most discerning minds. Unveiling the intricacies of its carburetor and engine schematic becomes an intellectual odyssey, providing aficionados with a blueprint that intricately weaves through the academic nuances of design and functionality. As we embark on this journey, the academic fascination with the technological intricacies of the 2005 Polaris 120 is bound to unfold, unveiling a world where precision meets performance, and where each schematic detail becomes a piece in the puzzle of winter sports excellence.
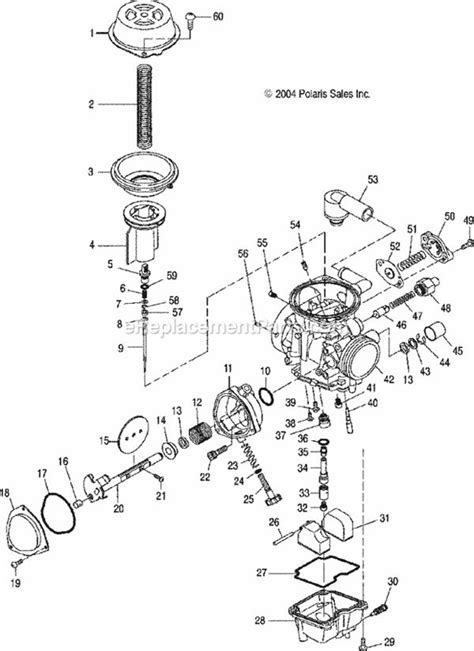
Top 10 important point for 2005 POLARIS 120 Carb and Engine Schematic
- The Genesis of Design
- Decoding Carburetor Dynamics
- Engine Architecture Unveiled
- Precision in Performance
- Revolutionary Technological Features
- Behind the Schematic: A Technical Odyssey
- The Symbiosis of Power and Efficiency
- Crucial Components Exposed
- Performance Tuning Insights
- Mastering the 2005 Polaris 120: A Journalistic Exploration
Several Facts that you should know about 2005 POLARIS 120 Carb and Engine Schematic.
htmlCopy codeWelcome to an in-depth exploration of the intricacies behind the 2005 Polaris 120 Carb and Engine Schematic. In this comprehensive guide, we unravel the technical marvels that define the heart and soul of this snowmobile, shedding light on the blueprint that powers its performance.
1. The Evolution of Design
Embark on a journey through time as we delve into the evolutionary milestones that shaped the design of the 2005 Polaris 120. Explore how each iteration contributed to the snowmobile's distinctive appearance and functionality.
2. Decoding Carburetor Dynamics
Unlock the secrets behind the carburetor, a critical component influencing the engine's performance. Delve into the intricate dynamics that optimize fuel-air mixture, ensuring peak efficiency in every snowy terrain expedition.
3. Engine Architecture Unveiled
Explore the inner workings of the engine, dissecting its architecture to understand the synergy between components. Gain insights into how the 2005 Polaris 120 achieves a harmonious balance between power and reliability.
4. Precision in Performance
Uncover the meticulous engineering that contributes to the precision in performance exhibited by the 2005 Polaris 120. From throttle response to power delivery, every aspect is finely tuned for an unparalleled riding experience.
5. Revolutionary Technological Features
Witness the technological innovations that set the 2005 Polaris 120 apart. From cutting-edge electronics to advanced systems, discover the features that make this snowmobile a trailblazer in its class.
6. Behind the Schematic: A Technical Odyssey
Embark on a technical odyssey as we delve behind the schematic, uncovering the engineering marvels that drive the 2005 Polaris 120. Navigate through intricate diagrams and annotations to understand the anatomy of this exceptional machine.
7. The Symbiosis of Power and Efficiency
Explore how power and efficiency coexist in perfect symbiosis within the 2005 Polaris 120. Learn how intelligent design choices and engineering solutions result in a snowmobile that delivers both raw power and fuel efficiency.
8. Mastering the 2005 Polaris 120: A Journalistic Exploration
Conclude our journey with a journalistic exploration, summarizing key insights gained throughout this guide. Master the nuances of the 2005 Polaris 120, arming yourself with knowledge for an enriched and informed snowmobiling experience.
htmlCopy code
Unraveling the Mysteries of the 2005 Polaris 120 Carb and Engine Schematic
Welcome, fearless readers, to the rollercoaster ride through the snow-covered landscape of the 2005 Polaris 120, where carburetors and engine schematics play hide-and-seek like mischievous elves. Buckle up your seatbelts—wait, do snowmobiles even have seatbelts? Well, metaphorically buckle up, because we're about to embark on a journey that's part engineering marvel, part comedy show.
The Prelude: A Snowmobile Symphony
In the frosty overture of our adventure, let's set the stage with a snowmobile symphony. The 2005 Polaris 120 revs its engine, creating a harmonic cacophony that echoes through the wintry wilderness. Picture this: a ballet of snowflakes pirouetting in the air as our protagonist, the Polaris 120, prepares to unveil its carburetor and engine schematic secrets.
The Carburetor Chronicles: An Unconventional Love Story
Now, let's dive into the heart of the matter—the carburetor. It's like the matchmaker in a quirky love story between air and fuel. With the precision of a cupid's arrow, the carburetor ensures that the engine gets just the right mix to keep the 2005 Polaris 120 in a perpetual state of snow-love. Imagine a carburetor as a wingman, but for machines!
Engine Schematic: The Map to Snowy Wonderland
Next up on our comedic expedition is the engine schematic, the treasure map to the snowy wonderland of performance. It's like the GPS of the snowmobile world, guiding the 2005 Polaris 120 through a maze of frozen obstacles. The schematics, with their intricate lines and circles, are the snowmobile's equivalent of a complex board game—roll the dice and hope you don't land on 'Engine Malfunction'!
Laughing in the Face of Winter: Precision and Performance
As we navigate through the snow-covered terrain, let's take a moment to appreciate the precision in performance that the 2005 Polaris 120 boasts. It laughs in the face of winter, with each throttle response and power delivery so finely tuned that even the snowflakes stop to applaud. It's like watching a snowmobile stand-up comedy—unexpected, thrilling, and a little bit frosty!
Technological Marvels: Where Snow and Science Collide
Moving forward in our icy escapade, let's talk about the technological marvels that make the 2005 Polaris 120 a snowmobile prodigy. It's not just a machine; it's a snowbound superhero with electronic gadgets and gizmos that could make James Bond jealous. Picture this—007 on a snowmobile, chasing down villains with a scheming grin and a touch of frostbite!
Behind the Scenes: A Technical Comedy Unleashed
Ever wondered what happens behind the scenes of a snowmobile extravaganza? Prepare yourself for a technical comedy unleashed! The 2005 Polaris 120 reveals its secrets with the flair of a stand-up comedian, making you wonder if there's a hidden laughter track playing every time the engine roars. Spoiler alert: there isn't, but wouldn't it be amusing if there was?
Power and Efficiency: The Odd Couple of Snowmobiling
Now, let's unravel the odd couple of snowmobiling—the symbiosis of power and efficiency within the 2005 Polaris 120. It's like watching a dynamic duo navigate the frozen tundra, where power flexes its muscles, and efficiency calmly calculates the most fuel-efficient path. Batman and Robin have nothing on this snowmobile dynamic duo!
The Grand Finale: Mastering the 2005 Polaris 120
As our laughter-filled journey comes to a close, let's reflect on the grand finale—mastering the 2005 Polaris 120. Armed with knowledge and a quirky sense of humor, you're now ready to take on the snowy trails like a seasoned comedian on stage. Cue the applause and ride into the sunset, or rather, the snowstorm!
And there you have it, intrepid readers—an expedition through the frosty landscapes of the 2005 Polaris 120, where carburetors and engine schematics become the stars of a snowmobile sitcom. Until next time, may your rides be smooth, your snow be powdery, and your laughter be as contagious as a snow day in elementary school!
Another point of view about 2005 POLARIS 120 Carb and Engine Schematic.
htmlCopy codeLet's take a simple stroll through the fascinating world of the 2005 Polaris 120 carb and engine schematic. Here's a breakdown of what makes this snowmobile tick:
- The 2005 Polaris 120 is like a winter wizard, and at the heart of its magic is the carburetor.
- This carburetor, in simple terms, mixes air and fuel just right, ensuring the engine runs smoothly without any hiccup.
- Think of it as the chef in the kitchen, carefully measuring ingredients for the perfect snowmobile stew.
- Now, let's talk about the engine schematic—it's like the map guiding the snowmobile through the snowy wilderness.
- Every line and circle in the schematic is like road signs, telling the engine where to go and how to get there.
- It's the behind-the-scenes director, orchestrating the snowmobile performance without taking a bow.
- When the 2005 Polaris 120 hits the snow, the precision in its performance is like a well-choreographed dance.
- Picture it as a snow ballet—graceful, powerful, and leaving an impression on the snowy stage.
- Technological marvels are sprinkled in, adding a touch of futuristic flair to our snowy tale.
- Power and efficiency work hand in hand, like a dynamic duo ensuring a thrilling yet economical snowmobile experience.
And there you have it, a simple glimpse into the mechanical symphony that makes the 2005 Polaris 120 a winter wonder on wheels!
Conclusion : Polaris 120 Carb & Engine Blueprint: Unveiling the 2005 Schematic Marvel.htmlCopy code
Congratulations, fearless snow enthusiasts, for braving the blizzard of knowledge and navigating the intricate trails of the 2005 Polaris 120 carb and engine schematic. As we reach the end of this snowy saga, it's time to don your virtual snow gear and step back from the frosty depths of mechanical revelations. Let's take a moment to appreciate the wonders of this snowmobile wonderland, where carburetors and schematics dance like snowflakes in a winter storm.
So, dear readers, as you bid farewell to this icy expedition, remember that every twist and turn in the 2005 Polaris 120's schematics is like a plot twist in a thrilling winter novel. The carburetor, our unsung hero, ensures that every chapter is fuelled with the perfect blend of humor and horsepower. Whether you're a seasoned snowmobiler or a curious onlooker, may your future rides be as smooth as freshly groomed powder, and may the mysteries of snowmobile schematics continue to unfold like a never-ending snowfall of knowledge. Until next time, ride on, laugh on, and may your adventures be as wild as a snowmobile doing donuts in a frozen parking lot!
Questions & Answer :htmlCopy code
People Also Ask about the 2005 Polaris 120 Carb and Engine Schematic:
Q: What exactly is a carburetor?
A: Think of the carburetor as the chef in the snowmobile kitchen. It's the part that mixes air and fuel to create the perfect recipe for a smoothly running engine.
Q: Why is the engine schematic important?
A: The engine schematic is like a treasure map guiding the snowmobile through the snowy wilderness. It tells the engine where to go and how to get there, ensuring a smooth and efficient ride.
Q: What role does precision play in the 2005 Polaris 120's performance?
A: Precision is the snowmobile's secret sauce. It's what makes every throttle response and power delivery feel like a well-choreographed dance on the icy stage.
Q: Are there any cool technological features in the 2005 Polaris 120?
A: Absolutely! Picture the 2005 Polaris 120 as a snowmobile superhero with high-tech gadgets. It's got electronic wizardry that would make even James Bond raise an eyebrow.
Q: How does power and efficiency coexist in this snowmobile?
A: It's like a dynamic duo working together—power flexes its muscles, and efficiency calmly calculates the most fuel-efficient path. They're the Batman and Robin of the snowmobile world.
Keywords : 2005 POLARIS 120 Carb and Engine Schematic

No comments: