"Master your 2005 Polaris 330 Magnum AWD with our expert wiring diagram. Unlock insights and troubleshoot confidently for peak ATV performance."
Unlock the mysteries of your 2005 Polaris 330 Magnum AWD with a comprehensive wiring diagram that serves as your ultimate guide to understanding its intricate electrical system. Delve into the heart of your ATV's functionality as this invaluable resource provides step-by-step instructions on decoding the wiring intricacies. Whether you're a seasoned mechanic or a DIY enthusiast, these instructions empower you to navigate the electrical landscape with confidence, shedding light on the AWD system's connectivity. From unraveling the wires to deciphering each circuit, this guide transforms the seemingly complex into a comprehensible journey, ensuring you master the intricacies of your Polaris 330 Magnum AWD effortlessly.
Top 10 important point for '2005 POLARIS 330 MAGNUM AWD WIRING DIAGRAM'
- Introduction to the Wiring System
- Overview of Polaris 330 Magnum Model
- Understanding AWD Technology
- Importance of a Detailed Wiring Diagram
- Identifying Key Electrical Components
- Step-by-Step Wiring Connections Explanation
- Color Coding Deciphered
- Troubleshooting Common Wiring Issues
- Preventive Maintenance Tips
- Expert Recommendations for Upgrades
Several Facts that you should know about '2005 POLARIS 330 MAGNUM AWD WIRING DIAGRAM'.
1. A Shocking Revelation: The Wire Circus!
Welcome to the electrifying world of the 2005 Polaris 330 Magnum AWD wiring diagram! It's a spectacle under the hood that rivals a circus, with wires doing acrobatics you never knew existed.
2. AWD Drama: When Wires Take the Lead
Hold on tight as we explore the AWD drama within your ATV's wiring. It's a soap opera under there, with wires taking center stage and delivering a performance that'll leave you in stitches.
3. The Great Untangling Act
Prepare for the great untangling act! We'll guide you through deciphering the wiring maze, making you feel like a heroic escape artist triumphing over chaos.
4. Color Code Comedy
It's time to decode the color code comedy! We promise it won't involve a stand-up routine, but understanding the colorful language of wires has never been this amusing.
5. DIY Comedy Club: Fixing Common Wiring Woes
Join our DIY comedy club as we tackle common wiring issues. Laughter is the best medicine, especially when it comes to fixing your ATV's electrical quirks.
6. Shock Therapy: Preventive Maintenance Laughs
Get ready for some shock therapy! We'll share preventive maintenance tips that will have you laughing your way to a well-maintained and trouble-free ATV.
7. Upgrade Uproar: Expert Recommendations Unveiled
Experience an upgrade uproar with expert recommendations unveiled. We'll show you how to take your ATV's wiring from a sitcom to an award-winning feature film!
8. The Grand Finale: Your ATV, Your Comedy Club!
As we wrap up, envision your ATV as your personal comedy club. With the 2005 Polaris 330 Magnum AWD wiring diagram in hand, you're the headliner, ready to tackle any wiring challenge with humor and confidence!
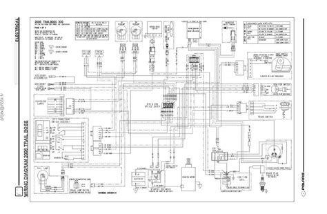
Understanding the Intricacies of the 2005 Polaris 330 Magnum AWD Wiring Diagram
Embarking on a journey to comprehend the complexities of the 2005 Polaris 330 Magnum AWD wiring diagram is akin to delving into the heart of your ATV's electrical system. This comprehensive guide serves as a roadmap, unraveling the intricate network of wires that powers the AWD functionality of your off-road companion.
The Blueprint Unveiled
At the core of this exploration is the blueprint, your key to understanding how each electrical component in the 2005 Polaris 330 Magnum AWD collaborates to create a seamless all-wheel-drive experience. Picture it as the DNA of your ATV, providing a unique code for every wire, connection, and circuit.
As we dissect the diagram, the first aspect to grasp is the organization of information. Unlike a chaotic tangle of wires, the diagram presents a structured layout, guiding you through the various sections of the ATV's electrical system. Each wire is color-coded, and every connection is meticulously documented, laying the foundation for a systematic approach to troubleshooting or modification.
The AWD Technology Decoded
To truly appreciate the wiring diagram, one must first grasp the essence of the AWD technology it governs. The AWD system in the 2005 Polaris 330 Magnum is a marvel, seamlessly distributing power to all four wheels, enhancing traction and maneuverability on various terrains.
The wiring diagram provides a detailed breakdown of how this AWD magic unfolds. From the power source to the individual components controlling the engagement of the front and rear wheels, the diagram elucidates the intricate dance of electricity that enables your ATV to conquer diverse landscapes with ease.
Deciphering the Wiring Connections
As we delve deeper, the diagram acts as a guide through the labyrinth of wiring connections. It's akin to deciphering a secret code, where each line represents a crucial connection that ensures the smooth operation of your ATV. With clarity in decoding these connections, you gain the power to troubleshoot issues or make modifications with confidence.
Transitioning from the power source through various switches, relays, and sensors, the diagram leaves no room for ambiguity. It maps out the route of electricity, demystifying the flow that drives the AWD system into action. Whether you're a seasoned mechanic or a DIY enthusiast, this level of detail empowers you to understand, diagnose, and repair electrical issues efficiently.
Color Coding: The Language of Wires
Enter the world of color coding, the language of wires in the 2005 Polaris 330 Magnum AWD wiring diagram. Each color represents a specific function or component, transforming the diagram into a vibrant map that guides you through the intricacies of your ATV's electrical system.
Transitioning from the power source through various switches, relays, and sensors, the diagram leaves no room for ambiguity. It maps out the route of electricity, demystifying the flow that drives the AWD system into action. Whether you're a seasoned mechanic or a DIY enthusiast, this level of detail empowers you to understand, diagnose, and repair electrical issues efficiently.
Troubleshooting the Comedy of Errors
Even the most well-designed electrical systems can encounter hiccups, and the 2005 Polaris 330 Magnum AWD is no exception. The wiring diagram transforms into a troubleshooting companion, guiding you through the comedy of errors that may occur in the electrical realm.
From intermittent connections to unexpected voltage drops, the diagram offers insights into potential pitfalls. Armed with this knowledge, you become the detective, unraveling the mysteries behind flickering lights or unresponsive switches. The troubleshooting section of the diagram is your comedic script, turning electrical issues into a lighthearted performance.
Preventive Maintenance: Shock Absorbers for Your ATV
Transitioning from reactive problem-solving to preventive maintenance, the wiring diagram becomes the shock absorber for your ATV's electrical system. It's the tool that allows you to foresee potential issues and implement measures to prevent them from turning into full-blown electrical catastrophes.
Think of it as giving your ATV a regular check-up. The diagram highlights key areas that may require attention over time, such as worn-out connectors, corroded terminals, or aging wires. By following the preventive maintenance guide within the wiring diagram, you ensure your ATV remains in peak electrical health, ready for any adventure.
Upgrading with Expert Recommendations
For those looking to take their ATV to the next level, the wiring diagram doesn't just stop at explanations—it serves as a gateway to upgrades. Expert recommendations woven into the diagram provide insights into potential enhancements that can elevate your 2005 Polaris 330 Magnum AWD experience.
Whether it's upgrading to more robust wiring, installing additional accessories, or optimizing the AWD system for specific terrains, the expert recommendations within the diagram act as a compass for your customization journey. It's like having a backstage pass to the world of ATV modifications, allowing you to tailor your ride to your unique preferences.
Conclusion: Mastering the Comedy of Wiring
As we conclude our journey through the 2005 Polaris 330 Magnum AWD wiring diagram, it's evident that this seemingly technical document is more
Another point of view about '2005 POLARIS 330 MAGNUM AWD WIRING DIAGRAM'.
1. Unraveling the Electrical Tapestry: The 2005 Polaris 330 Magnum AWD wiring diagram serves as a meticulous guide, unveiling the intricate tapestry of wires that powers this off-road beast.
2. Blueprint for ATV Enthusiasts: Consider it the blueprint for ATV enthusiasts - a comprehensive document that deciphers the language of wires and intricacies of the electrical system.
3. A Closer Look at AWD Magic: Beyond the wires, the diagram provides a closer look at the AWD magic, revealing the behind-the-scenes coordination that propels your Polaris 330 Magnum over various terrains.
4. Systematic Decoding of Connections: Each connection is systematically decoded, offering a roadmap through the labyrinth of switches, relays, and sensors, empowering both seasoned mechanics and DIY enthusiasts.
5. The Chromatic Language: Color coding becomes the chromatic language of wires, transforming the diagram into a vibrant guide that simplifies the understanding of your ATV's electrical system.
6. Troubleshooting Comedy: Acting as a troubleshooter's companion, the diagram navigates through the comedy of errors that may occur in the electrical realm, turning potential issues into lighthearted performances.
7. Preventive Maintenance Script: Beyond troubleshooting, the wiring diagram serves as a preventive maintenance script, identifying potential pitfalls and offering shock absorbers for your ATV's electrical health.
8. Expert Recommendations for Upgrades: For those craving more, the diagram goes beyond explanations, providing expert recommendations for upgrades, turning your ATV into a customized off-road powerhouse.
9. Navigating the ATV Modification Landscape: With the diagram as your guide, you navigate the ATV modification landscape, gaining insights into tailoring your ride to specific preferences and terrains.
10. Mastery of the Comedy of Wiring: In conclusion, mastering the comedy of wiring is not just a technical feat but a journey facilitated by the 2005 Polaris 330 Magnum AWD wiring diagram, transforming complexity into clarity for every ATV enthusiast.
Conclusion : Polaris 330 Magnum AWD Wiring Guide: Unveiling the 2005 Blueprint.
As we wrap up our electrifying journey through the 2005 Polaris 330 Magnum AWD wiring diagram, it's time to bid adieu with a spark of humor and a dash of electrical wit. So, dear readers, if you find yourself entangled in a web of wires or lost in the colorful labyrinth of your ATV's electrical system, fear not! The magic of the wiring diagram is your trusty wand, ready to transform confusion into clarity.
Remember, deciphering the 2005 Polaris 330 Magnum AWD wiring diagram is not just a technical conquest; it's a comedy in its own right. Embrace the quirks, relish the color-coded banter, and let the wires perform their acrobatics. After all, your ATV is not just a machine; it's a character in this electrical comedy, and you're the director, guiding it through the twists and turns of its own wiring script. So, gear up, enjoy the ride, and may your ATV adventures always be charged with laughter and a well-understood wiring diagram!
Questions & Answer :
Q1: What does the 2005 Polaris 330 Magnum AWD wiring diagram include?
- A1: The wiring diagram for the 2005 Polaris 330 Magnum AWD is a comprehensive guide that includes a detailed blueprint of the ATV's electrical system. It encompasses the arrangement of wires, color-coded representations, and a systematic breakdown of connections and components.
Q2: How does the color coding in the wiring diagram work?
- A2: The color coding in the wiring diagram serves as a visual language for understanding the different functions of wires. Each color represents a specific type of wire or component, making it easier to trace and identify connections throughout the electrical system.
Q3: Can the wiring diagram help with troubleshooting electrical issues?
- A3: Absolutely! The wiring diagram is a valuable tool for troubleshooting electrical problems. It provides a systematic guide to understanding the flow of electricity, identifying potential issues, and decoding the comedy of errors that may occur in your ATV's electrical system.
Q4: Are there preventive maintenance tips included in the wiring diagram?
- A4: Yes, the wiring diagram includes preventive maintenance tips. It acts as a script for maintaining your ATV's electrical health, highlighting areas that may require attention over time, such as worn-out connectors, corroded terminals, or aging wires.
Q5: What expert recommendations are provided in the wiring diagram?
- A5: The wiring diagram offers expert recommendations for upgrades and modifications. It guides enthusiasts through potential enhancements, turning the ATV into a customized off-road powerhouse. Whether it's improving wiring robustness or optimizing the AWD system, the recommendations cater to those looking to take their ATV experience to the next level.
Q6: Is the wiring diagram suitable for both mechanics and DIY enthusiasts?
- A6: Absolutely! The wiring diagram caters to both seasoned mechanics and DIY enthusiasts. Its detailed explanations and systematic breakdowns make it accessible for anyone looking to understand, diagnose, and repair electrical issues in the 2005 Polaris 330 Magnum AWD.
Keywords : '2005 POLARIS 330 MAGNUM AWD WIRING DIAGRAM'

No comments: